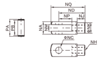
外型尺寸

| 缸徑 | NA | NC | ND | NH | NJ | NK | NM | NP | NQ | PA | PB | NB | NC | ND | NE | NF | NG | NH | NM |
| 32 | 18 | φ10 | 42.5 | M10×1.25 | 11 | 16 | 10 | 22.5 | 51.8 | 28.5 | 20 | 18 | 10 | 43 | 53 | 17.7 | 20 | M10×1.25 | 9.8 |
| 40 | 22.8 | φ12 | 48.5 | M12×1.25 | 16.5 | 21.8 | 12.6 | 23.3 | 61.7 | 32.6 | 24.5 | 22 | 12 | 51 | 63 | 19.8 | 20 | M12×1.25 | 11.8 |
| 50/63 | 30 | φ16 | 63.8 | M16×1.5 | 22.5 | 26.5 | 17 | 35 | 63.8 | 41.3 | 33.5 | 26 | 16 | 61.3 | 74.8 | 22.6 | 25 | M16×1.5 | 15.6 |
| 80/100 | 37.5 | 20φ | 77.5 | M20×1.5 | 28 | 31.5 | 21.8 | 41.5 | 96 | 49.5 | 42.5 | 32 | 20 | 81.5 | 100 | 35 | 30 | M20×1.5 | 19.8 |
| 125 | 60.3 | φ25 | 97 | M27×2 | 30 | 36.8 | 35.6 | 50 | 117.5 | 72.8 | 63 | 49 | 25 | 100 | 127 | 44 | 45 | M2 7×2 | 34 |
| 160/200 | 73.2 | φ30 | 123 | M36×2 | 47 | 50 | 42 | 51.5 | 150 | 86.5 | 76.4 | 67 | 30 | 138 | 166 | 40 | 50 | M36×2 | 38.7 |
| 250 | 90 | 40φ | 130 | M42×2 | 60 | 69 | 52 | 50 | 170 | 107 | — | 80 | 40 | 135 | 175 | 50 | 70 | M42×2 | 50 |
?