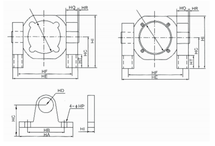
配件系列 — SC系列用TC-M

| 缸徑/符號 | 32 | 40 | 50 | 63 | 80 | 100 | 125 | 160 | 200 |
| HA | 110 | 110 | 110 | 110 | 120 | 120 | 147.5 | 185.5 | 185.5 |
| HB | 80 | 82 | 82 | 82 | 85 | 85 | 110 | 140 | 140 |
| HP | 12.5 | 11 | 11 | 11 | 13.5 | 13.5 | 17 | 22 | 22 |
| HD | 12 | 25 | 25 | 25 | 25 | 25 | 30 | 32 | 32 |
| HC | 50 | 50 | 50 | 50 | 70 | 70 | 85 | 130.5 | 130.5 |
| HI | 23 | 23.5 | 23.5 | 23.5 | 23 | 23 | 24.7 | 36 | 36 |