執行元件 — SI系列標準氣缸
符號

訂貨型號

技術參數
| 內徑(mm) | 32 | 40 | 50 | 63 | 80 | 100 | 125 | 160 | 200 | |
| 工作方式 | 復動型 | |||||||||
| 工作介質 | 空氣(經40um濾網過濾) | |||||||||
| 固定型式 | SI | 基本型 FA FB CA CB LB TC | ||||||||
| SID | 基本型 FA LB TC TC-M-1 TC-M-2 | |||||||||
| SIJ | 基本型 FA LB TC TC-M-1 TC-M-2 | |||||||||
| 使用壓力范圍 | 0.1~0.9MPa(14~128Psi) | |||||||||
| 保證耐壓力 | 1.5MPa(213Psi) | |||||||||
| 工作溫度 | -5~60℃(未凍結) | |||||||||
| 使用速度范圍mm/s | SI系列:50-800 其它系列:30-800 | |||||||||
| 緩沖型式 | 可調緩沖 | |||||||||
| 緩沖行程mm | 24 | 32 | ||||||||
| 接管口徑 | PT1/8 | PT1/4 | PT3/8 | PT1/2 | PT3/4 | |||||
行程
| 內徑(mm) | 標準行程(mm) | 最大行程(mm) | 容許行程(mm) |
| 32 | 25 50 75 80 100 125 150 160 175 200 250 300 400 450 500 | 1000 | 2000 |
| 40 | 25 50 75 80 100 125 150 160 175 200 250 300 400 450 500 600 700 800 | 1200 | 2000 |
| 50 | 25 50 75 80 100 125 150 160 175 200 250 300 400 450 500 600 700 800 900 1000 | 1200 | 2000 |
| 63 | 25 50 75 80 100 125 150 160 175 200 250 300 400 450 500 600 700 800 900 1000 | 1500 | 2000 |
| 80 | 25 50 75 80 100 125 150 160 175 200 250 300 400 450 500 600 700 800 900 1000 | 1500 | 2000 |
| 100 | 25 50 75 80 100 125 150 160 175 200 250 300 400 450 500 600 700 800 900 1000 | 1500 | 2000 |
| 125 | 25 50 75 80 100 125 150 160 175 200 250 300 400 450 500 600 700 800 900 1000 | 1500 | 2000 |
| 160 | 25 50 75 80 100 125 150 160 175 200 250 300 400 450 500 600 700 800 900 1000 | 1500 | 2000 |
| 200 | 25 50 75 80 100 125 150 160 175 200 250 300 400 450 500 600 700 800 900 1000 | 1500 | 2000 |
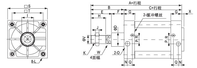
SI

| 內徑(mm) | A | B | C | D | E | F | G | H | I | J | K | L | N | 0 | P | Q | R | S | T | V | W | X |
| 32 | 142 | 48 | 94 | 30 | 28 | 20 | 27.5 | 22 | 17 | 6 | M10×1.25 | M6 | 13.5 | PT1/8 | 4 | 7.5 | 7 | 47 | 32.5 | 12 | 10 | 3 |
| 40 | 159 | 54 | 105 | 35 | 34 | 22 | 32 | 24 | 19 | 7 | M12×1.25 | M6 | 16 | PT1/4 | 6 | 8.5 | 9 | 53 | 38 | 16 | 13 | 3.5 |
| 50 | 175 | 69 | 106 | 40 | 42 | 27 | 31 | 32 | 24 | 8 | M16×1.5 | M8 | 15.5 | PT1/4 | 8.5 | 7.5 | 7.5 | 65 | 46.5 | 20 | 17 | 3.5 |
| 63 | 190 | 69 | 121 | 45 | 40 | 29 | 33 | 32 | 24 | 8 | M16×1.5 | M8 | 16.5 | PT3/8 | 7.5 | 8.5 | 9 | 75 | 56.5 | 20 | 17 | 4 |
| 80 | 214 | 86 | 128 | 45 | 53 | 33 | 33 | 40 | 30 | 10 | M20×1.5 | M10 | 16.5 | PT3/8 | 11 | 8.5 | 13.5 | 95 | 72 | 25 | 22 | 4 |
| 100 | 229 | 91 | 138 | 55 | 55 | 36 | 37 | 40 | 30 | 10 | M20×1.5 | M10 | 18.5 | PT1/2 | 13.5 | 9.5 | 14.5 | 115 | 89 | 25 | 22 | 4 |
| 125 | 279 | 119 | 160 | 60 | 74 | 45 | 46 | 54 | 41 | 13.5 | M27×2 | M12 | 23 | PT1/2 | 14 | 12 | 14 | 140 | 110 | 32 | 27 | 4 |
| 160 | 332 | 152 | 180 | 65 | 94 | 58 | 50 | 72 | 55 | 18 | M36×2 | M16 | 25 | PT3/4 | 15 | 12 | 20 | 180 | 140 | 40 | 36 | 4 |
| 200 | 347 | 167 | 180 | 75 | 100 | 67 | 50 | 72 | 55 | 18 | M36×2 | M16 | 25 | PT3/4 | 15 | 12 | 20 | 220 | 175 | 40 | 36 | 5 |
SID

| 內徑(mm) | A | B | C | D | E | F | G | H | I | J | K | L | N | 0 | P | Q | R | S | T | V | W |
| 32 | 190 | 48 | 94 | 30 | 28 | 20 | 27.5 | 22 | 17 | 6 | M10×1.25 | M6 | 13.5 | PT1/8 | 4 | 7.5 | 7 | 47 | 32.5 | 12 | 10 |
| 40 | 213 | 54 | 105 | 35 | 32 | 22 | 32 | 24 | 19 | 7 | M12×1.25 | M6 | 16 | PT1/4 | 6 | 8.5 | 9 | 53 | 38 | 16 | 13 |
| 50 | 244 | 69 | 106 | 40 | 42 | 27 | 31 | 32 | 24 | 8 | M 16×1.5 | M8 | 15.5 | PT1/4 | 7.5 | 8.5 | 8.5 | 65 | 46.5 | 20 | 17 |
| 63 | 259 | 69 | 121 | 45 | 40 | 29 | 33 | 32 | 24 | 8 | M16×1.5 | M8 | 16.5 | PT3/8 | 7.5 | 8.5 | 9 | 75 | 56.5 | 20 | 17 |
| 80 | 300 | 86 | 128 | 45 | 53 | 33 | 33 | 40 | 30 | 10 | M20×1.5 | M10 | 16.5 | PT3/8 | 11 | 8.5 | 13.5 | 95 | 72 | 25 | 22 |
| 100 | 320 | 91 | 138 | 55 | 55 | 36 | 37 | 40 | 30 | 10 | M20×1.5 | M10 | 18.5 | PT1/2 | 13.5 | 8.5 | 14.5 | 115 | 89 | 25 | 22 |
| 125 | 398 | 119 | 160 | 60 | 74 | 45 | 46 | 54 | 41 | 13.5 | M27×2 | M12 | 23 | PT1/2 | 14 | 12 | 14 | 140 | 110 | 32 | 27 |
| 160 | 484 | 152 | 180 | 65 | 94 | 58 | 50 | 72 | 55 | 18 | M36×2 | M16 | 25 | PT3/4 | 15 | 12 | 20 | 180 | 140 | 40 | 36 |
| 200 | 514 | 167 | 180 | 75 | 100 | 67 | 50 | 72 | 55 | 18 | M36×2 | M16 | 25 | PT3/4 | 15 | 12 | 20 | 220 | 175 | 40 | 36 |

| 內徑(mm) | A | B | C | D | E | F | G | H | I | J | K | L | N | 0 | P | Q | R | S | T | V | W | Z |
| 32 | 189 | 48 | 94 | 30 | 28 | 20 | 27.5 | 22 | 17 | 6 | M10×1.25 | M6 | 13.5 | PT1/8 | 4.5 | 6.5 | 6.5 | 47 | 32.5 | 12 | 10 | 21 |
| 40 | 209 | 54 | 105 | 35 | 34 | 22 | 32 | 24 | 19 | 7 | M12×1.25 | M6 | 16 | PT1/4 | 6 | 8.5 | 9 | 53 | 38 | 16 | 13 | 21 |
| 50 | 234 | 69 | 106 | 40 | 42 | 27 | 31 | 32 | 24 | 8 | M16×1.5 | M8 | 15.5 | PT1/4 | 8.5 | 7.5 | 7.5 | 65 | 46.5 | 20 | 17 | 23 |
| 63 | 250 | 69 | 121 | 45 | 40 | 29 | 33 | 32 | 24 | 8 | M16×1.5 | M8 | 16.5 | PT3/8 | 7.5 | 8.2 | 9 | 75 | 56.5 | 20 | 17 | 23 |
| 80 | 286 | 86 | 128 | 45 | 53 | 33 | 33 | 40 | 30 | 10 | M20×1.5 | M10 | 16.5 | PT3/8 | 11 | 8.5 | 13.5 | 95 | 72 | 25 | 22 | 29 |
| 100 | 304 | 91 | 138 | 55 | 55 | 36 | 37 | 40 | 30 | 10 | M20×1.5 | M10 | 18.5 | PT1/2 | 13.5 | 9.5 | 14.5 | 115 | 89 | 25 | 22 | 29 |
| 125 | 378 | 119 | 160 | 60 | 74 | 45 | 46 | 54 | 41 | 13.5 | M27×2 | M12 | 23 | PT1/2 | 14 | 12 | 14 | 140 | 110 | 32 | 27 | 40.5 |
| 160 | 458 | 152 | 180 | 65 | 94 | 58 | 50 | 72 | 55 | 18 | M36×2 | M16 | 25 | PT3/4 | 15 | 12 | 20 | 180 | 140 | 40 | 36 | 50 |
| 200 | 486 | 167 | 180 | 75 | 100 | 67 | 50 | 72 | 55 | 18 | M36×2 | M16 | 25 | PT3/4 | 15 | 12 | 20 | 220 | 175 | 40 | 36 | 54 |