執行元件 — DNC系列標準氣缸
訂貨型號

技術參數
| 缸徑(mm) | 32 | 40 | 50 | 63 | 80 | 100 |
| 動作型式 | 雙動 | |||||
| 工作介質 | 空氣(經40um過濾的潔凈空氣) | |||||
| 使用壓力 | 0.1~0.9Mpa(1~9kgf/cm2) | |||||
| 保證耐壓力 | 1.35Mpa(13.5kgf/cm2) | |||||
| 工作溫度范圍 | -5~60℃(未凍結) | |||||
| 緩沖型式 | 氣緩部(標準) | |||||
| 緩沖行程(mm) | 24 | 32 | ||||
| 接管口徑 | 1/8" | 1/4" | 3/8" | 1/2" | ||
| 本體材質 | 鋁合金 | |||||
氣缸行程
| 缸徑(mm) | 標準行程(mm) | 最大行程(mm) | 容許行程(mm) |
| 32 | 25 50 75 100 125 150 175 200 250 300 350 400 500 | 1000 | 2000 |
| 40 | 25 50 75 100 125 150 175 200 250 300 350 400 500 600 700 800 | 1200 | 2000 |
| 50 | 25 50 75 100 125 150 175 200 250 300 350 400 500 600 700 800 900 1000 | 1200 | 2000 |
| 63 | 25 50 75 100 125 150 175 200 250 300 350 400 500 600 700 800 900 1000 | 1500 | 2000 |
| 80 | 25 50 75 100 125 150 175 200 250 300 350 400 500 600 700 800 900 1000 | 1500 | 2000 |
| 100 | 25 50 75 100 125 150 175 200 250 300 350 400 500 600 700 800 900 1000 | 1500 | 2000 |
| 125 | 25 50 75 100 125 150 175 200 250 300 350 400 500 600 700 800 900 1000 | 1500 | 2000 |
| 160 | 25 50 75 100 125 150 175 200 250 300 350 400 500 600 700 800 900 1000 | 1500 | 2000 |

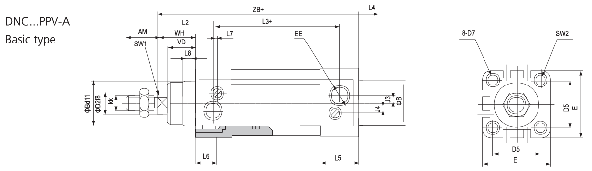
| 缸徑(mm) | AM | E | D2 | D5 | D7 | E | EE(G) | J3 | J4 | KK | L2 | L3 | L4 | L5 | L6 | L7 | L8 | SW1 | SW2 | VD | WH | ZB |
| 32 | 22 | 30 | 12 | 32.5 | M6 | 45 | 1/8 | 6 | 5.2 | M 10×1.25 | 41.6 | 62.8 | 4 | 25.1 | 16 | 3.3 | 10 | 10 | 6 | 18 | 26 | 120 |
| 40 | 24 | 35 | 16 | 38 | M6 | 54 | 1/4 | 8 | 6 | M12×1.25 | 44 | 77 | 4 | 29.6 | 16 | 3.6 | 10.5 | 13 | 6 | 21.5 | 30 | 135 |
| 50 | 32 | 40 | 20 | 46.5 | M8 | 64 | 1/4 | 10 | 8.5 | M16×1.5 | 51 | 78 | 4 | 29.6 | 17 | 5.1 | 11.5 | 17 | 8 | 28 | 37 | 143 |
| 63 | 32 | 45 | 20 | 56.5 | M8 | 75 | 3/8 | 12.4 | 10 | M16×1.5 | 54 | 87 | 4 | 35.6 | 17 | 6.6 | 15 | 17 | 8 | 28.5 | 37 | 158 |
| 80 | 40 | 45 | 25 | 72 | M10 | 93 | 3/8 | 12.5 | 8 | M20×1.5 | 52.4 | 95.2 | 4 | 35.9 | 17 | 10.5 | 15.7 | 22 | 10 | 34.7 | 46 | 174 |
| 100 | 40 | 55 | 25 | 89 | M10 | 100 | 1/2 | 11.8 | 10 | M20×1.5 | 69.8 | 100.4 | 4 | 38.8 | 100 | 8 | 19.2 | 22 | 10 | 38.2 | 51 | 189 |

| 缸徑(mm) | AB | AH | AO | C1 | E | H1 | SA | TR | XA | E2 | H13 | H3 | R | TF | UF | W | ZF |
| 32 | 7 | 32 | 6.5 | 30.5 | 45 | 5 | 142 | 32 | 144 | 50 | 7 | 10 | 32 | 64 | 80 | 16 | 130 |
| 40 | 10 | 36 | 9 | 37 | 54 | 5 | 161 | 36 | 163 | 55 | 9 | 10 | 36 | 72 | 90 | 20 | 145 |
| 50 | 10 | 45 | 10.5 | 41.5 | 64 | 6 | 170 | 45 | 175 | 65 | 9 | 12 | 45 | 90 | 110 | 25 | 155 |
| 63 | 10 | 50 | 12.5 | 44.5 | 75 | 6 | 185 | 50 | 190 | 75 | 9 | 12 | 50 | 100 | 125 | 25 | 170 |
| 80 | 12 | 63 | 15 | 56 | 93 | 6 | 210 | 63 | 215 | 100 | 12 | 16 | 63 | 126 | 154 | 30 | 190 |
| 100 | 14 | 71 | 17.5 | 58.5 | 100 | 6 | 220 | 78 | 230 | 120 | 14 | 16 | 75 | 150 | 186 | 35 | 205 |

| 缸徑(mm) | CB | DB | E3 | H2 | L | MR | UB | XD |
| 32 | 26 | 10 | 55 | 6 | 13 | 10 | 45 | 142 |
| 40 | 28 | 12 | 63 | 6 | 16 | 12 | 52 | 160 |
| 50 | 32 | 12 | 71 | 7 | 16 | 12 | 60 | 170 |
| 63 | 40 | 16 | 83 | 7 | 21 | 16 | 70 | 190 |
| 80 | 50 | 16 | 103 | 10.5 | 22 | 16 | 90 | 210 |
| 100 | 60 | 20 | 127 | 10.5 | 27 | 20 | 110 | 230 |