執行元件 — SC/SU系列標準氣缸
訂貨型號

氣缸理論出力計算:F = PxA
F:氣缸理論出力(kgf) P:工作壓力(kgf/cm2) A:活塞受壓面積(cm2)
感應開關的選擇
| 內徑 型式 | 32 | 40 | 50 | 63 | 80 | 100 | 125 | 160 |
| 感應開關 | CS1-F CS1-U | |||||||
| 感應開關固定座 | F-50 | F-63 | F-100 | F-125 | F-160 | |||
技術參數
| 內徑(mm) | 32 | 40 | 50 | 63 | 80 | 100 |
| 動作型式 | 復動型 | |||||
| 工作介質 | 空氣(經40 u m過浦的潔凈空氣) | |||||
| 使用壓力 | 0.1~0.9Mpa(1 ~9kgf/cm2) | |||||
| 保證耐壓力 | 1.35Mpa(13.5kgf/cm2) | |||||
| 工作溫度范圍 | -5~60P(未凍結) | |||||
| 緩沖型式 | 可調緩沖 | |||||
| 緩沖行程(mm) | 24 | 32 | ||||
| 接管口徑 | 1/8" | 1/4" | 3/8" | 1/2" | ||
| 本體材質 | 鋁合金 | |||||
氣缸行程
| 內徑(mm) | 標準行程(mm) | 最大行程(mm) | 容許行程(mm) |
| 32 | 25 50 75 100 125 150 175 200 250 300 350 400 500 | 1000 | 2000 |
| 40 | 25 50 75 100 125 150 175 200 250 300 350 400 500 600 700 800 | 1200 | 2000 |
| 50 | 25 50 75 100 125 150 175 200 250 300 350 400 500 600 700 800 900 1000 | 1200 | 2000 |
| 63 | 25 50 75 100 125 150 175 200 250 300 350 400 500 600 700 800 900 1000 | 1500 | 2000 |
| 80 | 25 50 75 100 125 150 175 200 250 300 350 400 500 600 700 800 900 1000 | 1500 | 2000 |
| 100 | 25 50 75 100 125 150 175 200 250 300 350 400 500 600 700 800 900 1000 | 1500 | 2000 |
| 125 | 25 50 75 100 125 150 175 200 250 300 350 400 500 600 700 800 900 1000 | 1500 | 2000 |
| 160 | 25 50 75 100 125 150 175 200 250 300 350 400 500 600 700 800 900 1000 | 1500 | 2000 |

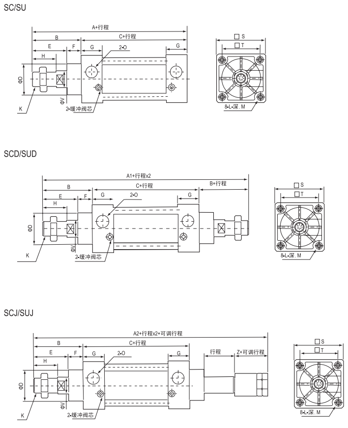
| 內徑(mm) | A | A1 | A2 | B | C | D | E | F | G | H | K | L | 0 | S | T | V |
| 32 | 140 | 187 | 182 | 47 | 93 | 28 | 32 | 15 | 27.5 | 22 | M10×1.25 | M6×1 | G1/8 | 45 | 33 | 12 |
| 40 | 142 | 191 | 185 | 49 | 93 | 32 | 34 | 15 | 27.5 | 24 | M12×1.25 | M6×1 | G1/4 | 50 | 37 | 16 |
| 50 | 150 | 207 | 196 | 57 | 93 | 38 | 42 | 15 | 27.5 | 32 | M 16×1.5 | M6×1 | G1/4 | 62 | 47 | 20 |
| 63 | 152 | 210 | 199 | 57 | 95 | 38 | 42 | 15 | 27.5 | 32 | M16×1.5 | M8×1.25 | G3/8 | 75 | 56 | 20 |
| 80 | 183 | 258 | 243 | 75 | 108 | 47 | 54 | 21 | 33 | 40 | M20×1.5 | M10×1.5 | G3/8 | 94 | 70 | 25 |
| 100 | 189 | 264 | 249 | 75 | 114 | 47 | 54 | 21 | 33 | 40 | M20×1.5 | M10×1.5 | G1/2 | 112 | 84 | 25 |
| 125 | 251 | 357 | 348 | 106 | 145 | 60 | 74 | 32 | 40 | 54 | M27×2 | M12 | G1/2 | 140 | 110 | 32 |
| 160 | 312 | 444 | 441 | 132 | 180 | 65 | 94 | 38 | 50 | 72 | M36×2 | M16 | G1/2 | 180 | 140 | 40 |
| 200 | 347 | 509 | 472 | 162 | 185 | 75 | 112 | 50 | 50 | 72 | M36×2 | M16 | G3/4 | 220 | 175 | 40 |
| 250 | 384 | 189 | 195 | 95 | 119 | 70 | 50 | 84 | M42×2 | M20 | G3/4 | 280 | 225 | 50 |